ບໍລິສັດ Ningbo Richreg ເທັກໂນໂລຢີຈໍາກັດບໍລິສັດ Ltd.
ບໍລິສັດ Ningbo Richreg ເທັກໂນໂລຢີຈໍາກັດບໍລິສັດ Ltd.
ຜະລິດຕະພັນ
ຜະລິດຕະພັນ
ZN12-12 ຊຸດຖັນແບບປະສົມປະສານເຂົ້າຫນົມປັງ
  • ZN12-12 ຊຸດຖັນແບບປະສົມປະສານເຂົ້າຫນົມປັງZN12-12 ຊຸດຖັນແບບປະສົມປະສານເຂົ້າຫນົມປັງ
  • ZN12-12 ຊຸດຖັນແບບປະສົມປະສານເຂົ້າຫນົມປັງZN12-12 ຊຸດຖັນແບບປະສົມປະສານເຂົ້າຫນົມປັງ

ZN12-12 ຊຸດຖັນແບບປະສົມປະສານເຂົ້າຫນົມປັງ

Model:ZN12-12
ຊຸດ ZN12-12 ຊຸດໃນຄອມພີວເຕີ້ ac hacu vacuuum circuit circuit acre ac ac ac ac ac ມັນເຫມາະສົມກັບພື້ນທີ່ທີ່ມີການໂຫຼດທຸກປະເພດແລະການດໍາເນີນງານເລື້ອຍໆ, ແລະສາມາດໃຊ້ສໍາລັບການປ້ອງກັນແລະຄວບຄຸມໂຮງງານອຸດສາຫະກໍາແລະການຂຸດຄົ້ນ, ແລະສະຖານທີ່ທ່ອງທ່ຽວ. ຜະລິດຕະພັນນີ້ແມ່ນສອດຄ່ອງກັບຄວາມຕ້ອງການທີ່ກ່ຽວຂ້ອງກັບ GB1984, JB3855, DL403 ແລະມາດຕະຖານ IEC.

ZN12-12 ຊຸດຖັນແບບປະສົມປະສານເຂົ້າຫນົມປັງ

  ZN12-12 ໃນລົ່ມໃນ Indoor ແຮງດັນໄຟຟ້າສູນກາງແຮງດັນໄຟຟ້າຂອງ 12kV ແລະການຕິດຕັ້ງໂຮງໄຟຟ້າ, ສໍາລັບການປ້ອງກັນແລະຄວບຄຸມສະຖານທີ່ທີ່ສໍາຄັນແລະມີການເຮັດວຽກເລື້ອຍໆ!

  ຊຸດວົງຈອນປ້ອງກັນປະເທດ ZN012 ແມ່ນອຸປະກອນສະຫຼັບທີ່ມີແຮງດັນສູງໃນລົ່ມດ້ວຍຄວາມສະຫວ່າງຂອງ 12KV, 24KV, ແລະ THASE AC 50Hz. ມັນແມ່ນຜະລິດຕະພັນພາຍໃນປະເທດທີ່ພັດທະນາໂດຍການແນະນໍາເຕັກໂນໂລຢີ 3af 1 ຂອງເຢຍລະມັນ. ເຄື່ອງປັ່ນວົງຈອນມີໂຄງສ້າງງ່າຍໆ, ຄວາມສາມາດໃນການພັກຜ່ອນທີ່ເຂັ້ມແຂງ, ຊີວິດການບໍລິການຍາວນານແລະເຮັດວຽກທີ່ສົມບູນແບບ. ແລະບໍ່ມີຄວາມອັນຕະລາຍຂອງການລະເບີດ, ແລະການບໍາລຸງຮັກສາແມ່ນງ່າຍດາຍ. ມັນເຫມາະສົມກັບການຄວບຄຸມຫຼືການປ້ອງກັນລະບົບການສົ່ງໄຟຟ້າແລະລະບົບການແຈກຢາຍ, ສະຖານທີ່ຍ່ອຍ, ໂດຍສະເພາະແມ່ນເຫມາະສົມສໍາລັບການທໍາລາຍພາລະທີ່ສໍາຄັນແລະສະຖານທີ່ປະຕິບັດງານເລື້ອຍໆ. ຮູບແບບການຕິດຕັ້ງຂອງວົງຈອນປິດຕູ້ CLECCUIT CONLEARTS ສາມາດເປັນປະເພດຄົງທີ່ຫຼືຜະລິດຕະພັນທີ່ກໍານົດໄວ້.


ຂໍ້ດີ:

1. ຜູ້ລະເມີດວົງຈອນໄດ້ຜ່ານການປະເມີນຜົນຂອງກະຊວງເຄື່ອງຈັກແລະກະຊວງອໍານາດໃນເດືອນສິງຫາປີທີ 9 ເດືອນສິງຫາ, ຊຶ່ງຫມາຍຄວາມວ່າຄຸນນະພາບທີ່ຮັບປະກັນແທ້ໆ.

ກົນໄກລະບົບ breaktit ຂອງວົງຈອນແມ່ນປະສົມປະສານກັບສະຫຼັບ, ແລະກົນໄກການເກັບຮັກສາພະລັງງານພາກຮຽນ spring ພິເສດຂອງ AC ແລະ DC ສາມາດດໍາເນີນງານໂດຍການເກັບຮັກສາພະລັງງານ ac ແລະ DC ຫຼືປະຕິບັດງານດ້ວຍຕົນເອງ.

ດ້ວຍໂຄງປະກອບງ່າຍໆ, ຄວາມສາມາດໃນການພັກຜ່ອນທີ່ເຂັ້ມແຂງ, ຊີວິດການບໍລິການທີ່ຍາວນານ, ບໍ່ມີຄວາມສ່ຽງໃນການຄວບຄຸມຫຼືການປ້ອງກັນ, ແລະອື່ນໆ.


ຄຸນນະສົມບັດ:

1. ຄວາມສາມາດລະເມີດຂອງສະຕິງໄຟດັບສະມາຊິກແມ່ນສູງ, ຄວາມສາມາດໃນການບັນຈຸໃນປະຈຸບັນ, ແລະຊີວິດໄຟຟ້າແມ່ນຍາວ.

2. ຮູບແບບແມ່ນມາຈາກທາງຫນ້າໄປຫາຫລັງ, ໂຄງສ້າງທີ່ລຽບງ່າຍແລະກະທັດລັດ, ການດໍາເນີນງານທີ່ສົມບູນແລະການບໍາລຸງຮັກສາງ່າຍ.

3.






ຂໍ້ມູນພື້ນຖານ.



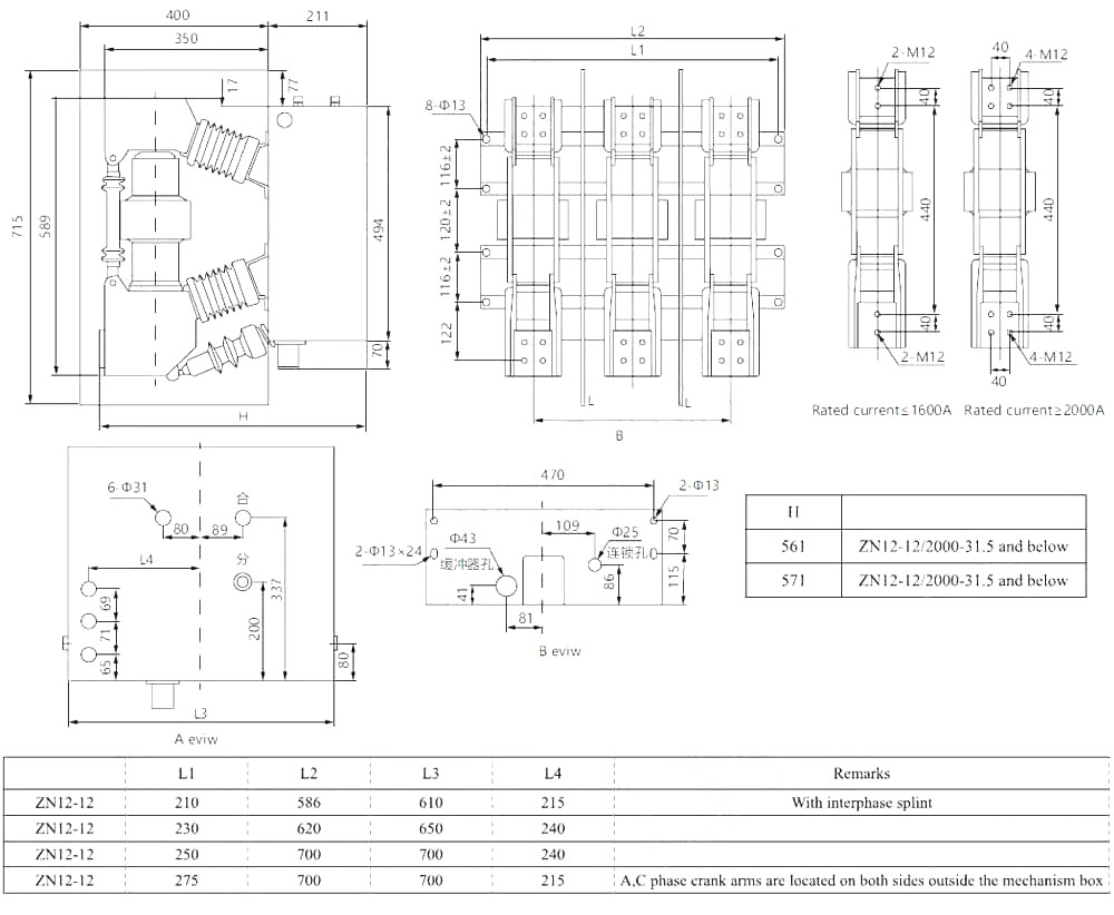
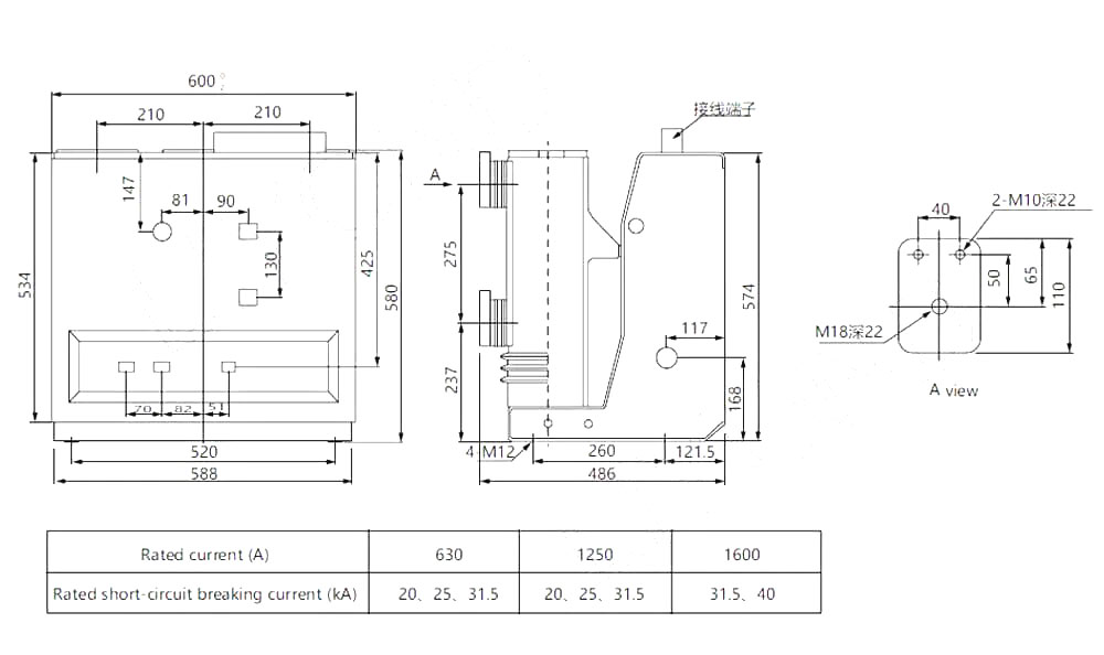
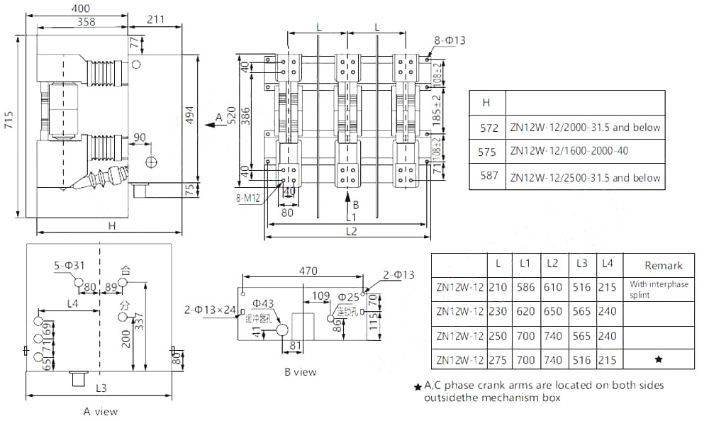
ພາລາມິເຕີດ້ານວິຊາການ



ຮູບແຕ້ມເຕັກນິກ


ເງື່ອນໄຂການນໍາໃຊ້ຂອງ ZN12-12 ປ່ຽນຖັນແບບປະສົມປະສານກັນໃນລະບົບສູນເສຍໄຟຟ້າສູນກາດສູນຫາຍ. ຄວາມສູງ: ≤1000ມ; (ຄວາມສູງຂອງຕົ້ນແບບສາມາດບັນລຸໄດ້ຕໍ່າກວ່າ 4000 ແມັດ)

2. ອຸນຫະພູມອາກາດລ້ອມຮອບ: ສູງທີ່ສຸດ + 40 ° C, ຕໍ່າສຸດ -25 ° C;

3. ຄວາມຊຸ່ມຊື່ນທີ່ກ່ຽວຂ້ອງ: ສະເລ່ຍປະຈໍາວັນບໍ່ເກີນ 95%, ສະເລ່ຍປະຈໍາເດືອນບໍ່ເກີນ 90%;

4. ຄວາມເຂັ້ມຂອງແຜ່ນດິນໄຫວ: ນ້ອຍກວ່າ 8;

5. ສະພາບແວດລ້ອມການຕິດຕັ້ງ: ບໍ່ມີໄຟ, ອັນຕະລາຍລະເບີດ, ບໍ່ມີອາຍແກັສທີ່ເສື່ອມເສຍແລະບໍ່ມີບ່ອນສັ່ນສະເທືອນທີ່ຮຸນແຮງ.

.. ກະລຸນາຕິດຕໍ່ຜູ້ຜະລິດລະຄັງສູນຍາກາດຖ້າສະພາບແວດລ້ອມການນໍາໃຊ້ເກີນກວ່າຂ້າງເທິງ.




ສົງໄສ

ຖາມ: ຂ້ອຍສາມາດມີລາຄາສິນຄ້າຂອງເຈົ້າໄດ້ບໍ?

A: ຍິນດີຕ້ອນຮັບ. ກະລຸນາສົ່ງສອບຂໍ້ມູນໃຫ້ພວກເຮົາໄດ້ທີ່ນີ້. ພວກເຮົາຈະຕອບທ່ານພາຍໃນ 24 ຊົ່ວໂມງ.


ຖາມ: ຂ້ອຍສາມາດເອົາຕົວຢ່າງກ່ອນທີ່ຈະເປັນລະບຽບຮຽບຮ້ອຍບໍ?

A: ແມ່ນແລ້ວ, ພວກເຮົາຂໍສະແດງຄວາມເປັນຕົວຢ່າງໃນການທົດສອບແລະກວດກາຄຸນນະພາບ .Mixed ຕົວຢ່າງແມ່ນເປັນທີ່ຍອມຮັບໄດ້.


ຖາມ: ພວກເຮົາສາມາດພິມໂລໂກ້ / ບໍລິສັດຂອງພວກເຮົາໃສ່ຜະລິດຕະພັນໄດ້ບໍ?

A: ແມ່ນແລ້ວ, ແນ່ນອນ, ພວກເຮົາຍອມຮັບ OEM, ຫຼັງຈາກນັ້ນຕ້ອງການໃຫ້ທ່ານສະຫນອງການອະນຸຍາດຍີ່ຫໍ້ໃຫ້ພວກເຮົາ


ຖາມ: ເຈົ້າຍອມຮັບການປັບແຕ່ງຜະລິດຕະພັນບໍ?

A: ແມ່ນແລ້ວ, ແນ່ນອນ, ກະລຸນາໃຫ້ຂຽນຮູບແຕ້ມຫຼືຕົວກໍານົດສະເພາະ, ພວກເຮົາຈະອ້າງເຖິງທ່ານຫຼັງຈາກການປະເມີນຜົນ


ຖາມ: ເວລານໍາຫນ້າແມ່ນຫຍັງ?

A: ເວລານໍາແມ່ນຂື້ນກັບປະລິມານທີ່ສັ່ງ, ໂດຍທົ່ວໄປພາຍໃນ 7-20 ວັນຫຼັງຈາກໄດ້ຮັບການຈ່າຍເງິນ.


ຖາມ: ຂໍ້ກໍານົດການຄ້າຂອງທ່ານແມ່ນຫຍັງ?

A: ພວກເຮົາຍອມຮັບ Exw, FOB, CIF, FCA, FCA, ແລະອື່ນໆ.


ຖາມ: ວິທີການຈ່າຍເງິນຂອງທ່ານແມ່ນຫຍັງ?  

A: ພວກເຮົາຍອມຮັບ T / T, Western Union Union, PayPal, irrevocable l / c ໃນສາຍຕາ, ແລະອື່ນໆ


ຖາມ: ທ່ານກວດກາຜະລິດຕະພັນສໍາເລັດຮູບບໍ?

A: ແມ່ນແລ້ວ, ແຕ່ລະບາດກ້າວຂອງການຜະລິດແລະຜະລິດຕະພັນສໍາເລັດຮູບຈະໄດ້ຮັບການກວດກາໂດຍ QC Permin ກ່ອນການຂົນສົ່ງ. ແລະພວກເຮົາຈະໃຫ້ບົດລາຍງານການກວດກາສິນຄ້າສໍາລັບການອ້າງອິງຂອງທ່ານກ່ອນການຂົນສົ່ງ


ຖາມ: ວິທີການແກ້ໄຂບັນຫາທີ່ມີຄຸນນະພາບຫຼັງຈາກການຂາຍ?

A: ຖ່າຍຮູບບັນຫາທີ່ມີຄຸນນະພາບແລະສົ່ງໃຫ້ພວກເຮົາການກວດສອບແລະຢືນຢັນຂອງພວກເຮົາ, ພວກເຮົາຈະສ້າງວິທີແກ້ໄຂທີ່ພໍໃຈສໍາລັບທ່ານພາຍໃນ 3 ວັນ.




ໂຮງງານ


ໃບຢັ້ງຢືນ




Hot Tags: ZN12-12 Series Integrated Column Switch Vacuum Circuit Breaker, China, Manufacturer, Supplier, Factory, Low Price, Quality, Latest Selling, Advanced
ສົ່ງສອບຖາມ
ຂໍ້​ມູນ​ຕິດ​ຕໍ່
  • ທີ່ຢູ່

    No.1083 Zhongshan East ຖະຫນົນຕາເວັນອອກ, Yinzhou ເມືອງ, Ningbo ເມືອງ, ແຂວງ Zhejiang, ປະເທດຈີນ

  • ອີເມລ

    sales@switchgearcn.net

ສໍາ​ລັບ​ການ​ສອບ​ຖາມ​ກ່ຽວ​ກັບ switchgear ແຮງ​ດັນ​ຕ​່​ໍ​າ​, insulators ແຮງ​ດັນ​ສູງ​, ສະ​ຫຼັບ earthing ແຮງ​ດັນ​ສູງ​ຫຼື​ບັນ​ຊີ​ລາຍ​ການ​ລາ​ຄາ​, ກະ​ລຸ​ນາ​ປ່ອຍ​ໃຫ້​ອີ​ເມວ​ຂອງ​ທ່ານ​ກັບ​ພວກ​ເຮົາ​ແລະ​ພວກ​ເຮົາ​ຈະ​ຕິດ​ຕໍ່​ພົວ​ພັນ​ພາຍ​ໃນ 24 ຊົ່ວ​ໂມງ​.
X
We use cookies to offer you a better browsing experience, analyze site traffic and personalize content. By using this site, you agree to our use of cookies. Privacy Policy
Reject Accept